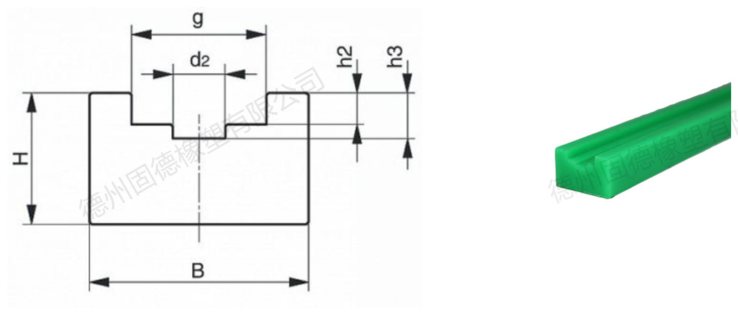
U型單排鏈條導軌


鏈條導軌具有哪些優(yōu)勢?
鏈條導軌又叫鏈條導向件,它是一種靜壓導軌。鏈條導軌的主要作用就是支撐鏈條運行及導向鏈條運行方向的作用。當今社會人們對鏈條導軌的應用及評價越來越高。那么鏈條導軌具體有什么樣的優(yōu)勢呢?讓它的應用領域日益廣泛。下面我們來了解下它存在的優(yōu)勢。
1:鏈條導軌最大的優(yōu)勢就是它的耐磨性能。在眾多的性能特點中它的耐磨性能尤為突出。鏈條導軌的耐磨性能比一些金屬的耐磨性還要強很多。
2:鏈條導軌的另一個性能就是耐沖擊。運行過程中在一定程度上大大保護了鏈條,減少了鏈條對設備的撞擊。
3:鏈條導軌還有一個重要的性能特點,本身具有自潤滑。這一特點大大降低了鏈條的磨損,大大延長了鏈條的使用壽命。
4:鏈條導軌還具有穩(wěn)定的化學性能,它能耐酸、堿、鹽的腐蝕。這一特點又大大擴大了鏈條導軌的使用環(huán)境。當然它還具有不沾性,不易受潮。
5:超強的耐低溫的性能,鏈條導軌的使用溫度在+80~-200之間。這就看出鏈條導軌即使在超低的環(huán)境下也能工作。
6:鏈條導軌是無色無味的,綠色安全的,可以放心使用。
正是由于鏈條導軌具有這么多的優(yōu)勢,才越來越受歡迎,應用的領域越來越廣泛。